
電話:0769-85189162 26980325
傳真:0769-81610656
郵箱:leesun@leesuncn.com
sales@leesuncn.com
地址:廣東省東莞市南城區第一國際百安中心B座303室
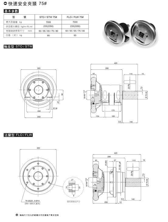
快速安全夾頭是為連續動作的卷軸(氣脹軸)提供快速、準確、簡易、安全有效的連接裝置,避免卷軸在運作過程中松動或旋緊。它可分為軸座式和法蘭式兩種安裝方式,并可選擇各種形式的卡口,配合各種氣脹軸使用。廣泛應用于分條、印刷、復卷、涂布、貼合、制袋、電子電池、橡塑等相關卷取機械行業。
產品特征
卡盤鍍鎳處理,卡口部件經過硬化處理,堅固耐用
配合進口重載軸承,確保在重負載、高速度的應用場合下也有良好的表現
卡口部件合理的公差配合,確保扭矩傳遞過程中的平滑連續